p>继电保护在发电机中的作用
摘要:在电力供电系统中各种继电保护装置,就是为了实现第一个基本要求而装置的。本节就通信部门自备电站电力系统在供电过程中出现过载、欠压、过压、逆功率及短路等运行不正常或故障时,通过继电保护装置进行保护的基本原理和继电保护装置电路进行分析。
(一)继电保护装置的作用和要求
1.继电保护装置的作用
在自备电站供电系统中装设的继电保护是不可缺少的保安装置。它的作用是:当电气设备发生故障或由故障造成危害时,继电保护装置将自动地、迅速地切除发生故障的电气设备,以保护设备的安全。如果电气设备出现不正常情况时,继电保护3 装置自动切除不正常运行的电气设备,并立即发出报警信号,告知值机人员及时进行处理,以防事故的发生和扩大。
2.对继电保护装置的要求
继电保护装置是确保安全供电、保护电气设备而装设的,因此,对它的要求如下。
①动作迅速 当供电系统或电气设备发生故障时,继电保护装置动作时限应短,迅速切除故障,以减轻被保护设备的损坏程度,阻止故障的蔓延。对于电气元件,如果短路电流通过时,产生的热量与短路电流的平方和电流通过的时间成正比,因此,保护装置切除得越快,产生的热量就越小,设备就不易损坏。
②灵敏度高 灵敏度是指保护装置对其保护范围内的故障或工作状态不正常的反应能力。灵敏度越高,故障发觉和切除就越早,从而对系统和设备的破坏就越小。
③可靠性高 可靠性是指装置本身应能可靠地工作。在正常运行或不属于它保护范围的故障,不应误动作,而属于它保护范围内的故障,不应拒绝动作。因此,保护装置的可靠性很重要,否则,它本身就可能是产生和扩大事故的根源。
(二)继电保护的基本原理
1.继电器
继电器是反应与传递信号自动动作的电器元件。它是继电保护的主要器件之一,通过它的动作控制电路接通与切断,在电压、电流的监测及事故报警等场合得到广泛的应用。
继电器的种类很多,可按不同的方法分类。
1)按继电器作用分
可分为测量继电器和辅助继电器两大类。
①测量继电器 它是直接反映电气量变化的继电器,主要有电压继电器、电流继电器、功率继电器、阻抗继电器、频率继电器及差动继电器等六类。
②辅助继电器 它是间接反应电气量或非电气量变化的继电器,主要有中间继电器、时间继电器、热继电器及信号继电器等,通常用于自动控制装置和保护电路中。
2)按继电器接入电路的方式分
①一次式继电器 控制继电器的信号不通过互感器,而是直接接到一次电路中。
②二次式继电器 控制继电器的信号由互感器的二次侧提供。
3)按继电器控制断路方式分
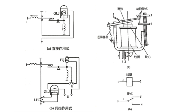
①直接作用式继电器 继电器直接作用于断路器的跳闸机构,如图1(a)所示。
②间接作用式继电器 继电器动作后,不直接控制跳闸,而是控制辅助操作回路,由操作回路去动作于断路器跳闸机构,如图1(b)所示。
继电保护装置从早期的机械式、电磁式到晶体式、集成电路式,电子继电器因而得到很大的发展。电磁式和感应式继电器虽然具有动作较慢,灵敏度较低,功耗体积较大和有可动部分及触点等缺点,但由于它们机械强度好和使用寿命长等特点,因而,目前仍得到广泛应用。随着电子技术迅速发展,电子式继电器由于动作迅速、灵敏度高、无可动部分、抗振动、耐冲击、功耗和体积都小,因而得到迅速发展和应用。
2.继电器的结构和原理
继电器是一种能自动动作的电器。它由接受机构、中间机构和执行机构三部分组成,如图2所示。

图1 继电器控制断路方式 图2 电磁式继电器结构与代表符号
当线圈加上一定的电压,线圈即有一定的电流通过,铁心中将产生一定的磁通,铁心被磁化,产生电磁吸力,克服弹簧的拉力,衔铁被吸动,带动动接点与静接点闭合接通外电路。线圈断电后,电磁吸力消失,衔铁及动接点就会释放,返回原来位置,动、静接点分开,外电路被切断。
3.继电保护的基本原理
继电保护装置是一种能自动判断并处理故障的自动化装置。由于电力供电系统中发生故障或不正常运行时,总是伴随有电流、电压、频率、功率及电压与电流相位角等物理量的变化,因此,电力供电系统各种继电保护,就是利用在发生各种不同故障或不正常运行时出现的现象,作为自动控制的信号,自动判断故障,然后进行保护。由于各种故障和不正常运行情况,其产生的原因均不相同,因此,各种继电保护电路的原理也不同。例如过电流保护,是根据电流大小的不同分为过载和短路自动跳闸保护;欠压保护,当电压下降到低电压调定值时,自动跳闸保护;对于功率倒流,则反应功率方向改变的逆功率跳闸保护。