p>并列运行的小型三相发电机组电气线路图
摘要:发电机组控制箱(屏)的电气线路,尽管各厂家的产品不完全一致,但一般大同小异,归纳起来有3种类型。并列运行的小型三相发电机组电气线路是其中一种。
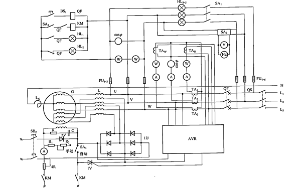
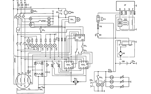
图1为LGD-21型发电机控制屏电气线路图,其主要元器件型号规格见表1。主要是增加了并列运行的部分监视仪表;增加了中性电抗器LN、刀开关QS,便于QF脱离电网后进行检修和减少中性电流;增加了同期指示灯和转换开关,用以转换测量待并发电机与电网的电压及频率;增加了均压线、均压电阻和投入均压电阻的接触器KM;增加了功率因数表和励磁电流表。图2为PF13-75型控制箱电气线路图。其主要元器件型号规格见表2。
表1 LGD-21控制屏主要设备表(配TZH355-4,150kW发电机)
p>代号p>名称p>型号、规格p>数量 p>Lp>电抗变流器p> p>1 p>LNp>中性电抗器p>XL-240,100Ap>1 p>QFp>自动空气断路器p>DZ10-600/337p>1 p>QSp>隔离开关p>HD11-400/38p>1 p>TA1-3p>电流互感器p>LM-0.5,400/5Ap>3 p>FU1-6p>熔断器p>R10/2p>6 p>KMp>交流接触器p>CJO-10A/380Vp>1 p>SA1p>转换开关p>LW5-15,D0408/2p>1 p>SA2p>转换开关p>LW5-15,D0401/2p>1 p>SA3~4p>转换开关p>LW5-15,D0081/1p>2 p>HL1~5p>指示灯(红、绿各1,无色3只)p>XD5,380Vp>5 p>SB1~2p>按钮(红、绿各1)p>LA18-22p>2 p>Ap>交流电流表p>42L6-A,400/5Ap>3 p>Hzp>频率表p>42L6-Hz,45~55Hz,380Vp>1 p>Vp>交流电压表p>42L6-V,450Vp>1 p>Wp>三相有功功率表p>42L6-W,368V,400/5Ap>1 p>cospp>功率因数表p>42L6-cosф,380V,5Ap>1 p>Ap>直流电流表p>42C3-A,5Ap>1 p>1Up>三相桥式整流组合管p>SQL10,600V,10Ap>1 p>2Vp>硅整流元件p>ZP5-2Dp>1 p>Cp>电容器p>CJ41-2a,1μF,400Vp>1 p>Rp>电阻p>RXYC,510,10p>1 p>2Rp>磁场变阻器p>BC1-500,100Ωp>1 p>3Rp>固定电阻p> p>1 p>4Rp>瓷盘变阻器p>BC1-50,20p>1 p>1Vp>可控硅p>KP5-6Dp>1 p>AVRp>自动励磁调节器p> p>1 p> 表2 PF13-75控制箱主要设备表p>代号
p>名称p>型号、规格p>数量 p>Ap>交流电流表p>81T2-A,200/5Ap>3 p>V1-2p>交流电压表p>81T2-V,450Vp>2 p>Hzp>频率表p>8112-Hz,45~55Hz,220Vp>1 p>cosdp>功率因数表p>81L10-cosф,380V,5Ap>1 p>Wp>三相功率表p>8113-W,200/5A,380Vp>1 p>Ap>直流电流表p>81C1-A,30Ap>1 p>LH4-9p>指示灯p>BLXN-1p>6 p>V1-4p>硅整流元件p>ZP,30A/800Vp>4 p>V5-6p>可控硅p>KP,50A/900Vp>2 p>QFp>空气开关p>DZ10-250/330,140Ap>1 p>Lp>零线电抗器p> p>1 p>AVRp>电压调节器p>TST1p>2 p> p>无功调节器p>QT1p>1 p>YWp>油温表p>302-T32u,24Vp>1 p>SWp>水温表p>302-T32,24Vp>1 p>JYp>油压表p>308-T32,24Vp>1 p>TA1-4p>电流互感器p>LM-0.5,200/5Ap>4 p>LH1p>信号灯p>XD7,380V,红色p>1 p>XS1-2p>插座p>P20K,2Ap>2 p>FU1-5p>熔断器座p>RL1-15,380Vp>5 p> p>熔芯p>4Ap>4 p>熔芯p>15Ap>1 p>YKp>钥匙开关p>JK421p>1 p>SBp>起动按钮p>JK260p>1 p> p>座舱灯座p>ZDC-1p>2 p>SA1p>组合开关p>HZ10-03p>1 p>SA7p>组合开关p>HZ10-10/E185p>1 p>LH2-3p>小插口灯泡p>24V,10Wp>2 /p>

图1 LGD型发电机组控制屏电路图

图2 PF13-75型发电机组控制箱电路图