p>基本型无刷发电机励磁系统的工作原理
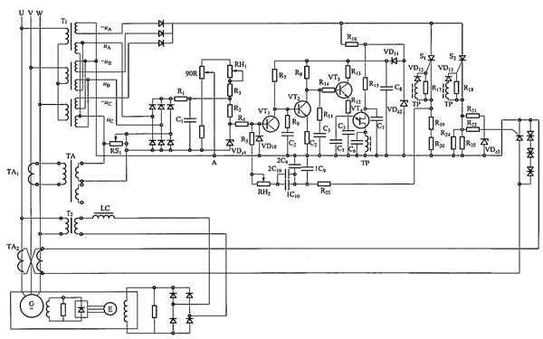
图1所示为一种实用的无刷励磁同步发电机及其励磁调节系统。它是用旋转整流器的基本型无刷励磁发电机,调节系统由相复励及晶闸管交流侧分流的电压校正器组成。

图1 一种实用的无刷励磁系统原理图
相复励部分为电流叠加型。由于是为励磁机提供励磁电流,功率不大,故采用的是单相相复励形式。电压分量取自发电机线电压UcA,经变压器降压再接复励阻抗LC。为了取得与线电压相配的负载电流信号(即电压与电流的相位差是功率因数角φ),需用线电流之差 Ic-IA。实际是用两个电流互感器的副边反相连接来获取电流分量。电压分量与电流分量在交流侧叠加后,再经单相桥式整流器接于励磁机定子励磁绕组。由于是单相相复励,所以交流侧分流也只需要一个可控硅元件。
电压校正器的输入端接发电机三相电压。三个单相变压器原边星形连接,分别取得发电机三相电压。每个变压器各有两个副绕组,其中一个接成三角形,作为三相桥式整流器电源,再经阻容滤波后接到比较桥。这里用单稳压管形式的比较桥,其原理与前述双稳压管比较桥相似,特性为折线形式。通过比较桥获得电压偏差信号,再经晶体管放大后送到晶闸管触发脉冲控制电路。单结晶体管输出脉冲经脉冲变压器TP及小功率可控硅S2而得到放大,然后去触发分流晶闸管导通。
触发脉冲电路的同步电源由上述3个单相变压器的另一个副绕组提供。如图1所示,-uA、-uB和+uc电压信号分别半波整流后相加,其波形如图2所示。再经稳压管削波成梯形电压,其相位复盖约300°范围,满足了对励磁电流分流调节的需要。因为励磁电流由电压分量与电流分量相量相加而成,相对于参考电压UcA的相位变化最大达到滞后0°,这种梯形电压恰好比ucA滞后90°过零点。

图2 触发脉冲同步电源波形图
由于调整器放大倍数大,反应灵敏,而交流励磁机的时间常数较大,容易发生振荡,因此AVR电路中设有防振环节。该环节输入电压取自R19、R20上的脉冲输出电压,它经1C9、2C9、R25组成的积分电路和 1C10、2C10、RH2组成的微分电路负反馈到电压偏差放大电路的输入端,抑制信号的急剧变化,使系统稳定运行。
电流互感器 TA2、差动电流互感器TA、电阻RS1构成了发电机并联运行时无功功率分配稳定环节。当发电机单机运行时,调节RS1=0,则不影响AVR的电压偏差检测。